首页
维克产品
维克新品
合作案例
新闻中心
维克中心
联系我们
18902606028
中
EN
DE
Copyright © 2022-2023 WICO 维克实业有限公司 版权所有
Powered by RRZCMS
地址:中国·维克实业有限公司
首页
>
维克产品
>
三维可调合页系列
> 三维可调天地轴合页
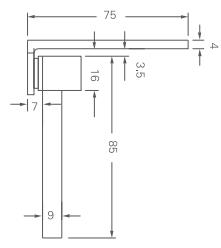
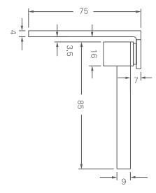
三维可调天地轴合页
AT60
[产品型号] AT60
[产品介绍]
-
●
适合于木质门
● 适合于平开门
● 隐藏安装方式
● 方便安装及调节
● 三维可调范围:
上下:
±5mm
左右:
±1.5mm
前后:
±1.5mm
● 180°开放角度
返回
列表